.
.
.
Hotline: 0334756666 dongnt@thegioidienlanh.com.vn Thứ 2 - Chủ nhật: 8:00 - 21:00
Gọi ngay 0334756666
0
Giỏ hàng
Giỏ hàng của bạn (0 sản phẩm)

Chưa có sản phẩm trong giỏ hàng

Tổng tiền:

Block máy lạnh là gì? Phân loại block điều hòa phổ biến

Block máy lạnh (hay còn gọi là máy nén điều hòa, lốc điều hòa) là bộ phận trung tâm quan trọng nhất trong toàn bộ hệ thống làm lạnh.

⚙️ Block Máy Lạnh Là Gì? Vai Trò Cốt Lõi Trong Hệ Thống Điều Hòa

Block máy lạnh (hay còn gọi là máy nén điều hòa, lốc điều hòa) là bộ phận trung tâm quan trọng nhất trong toàn bộ hệ thống làm lạnh.

👉 Về bản chất, đây là một động cơ điện dạng kín, có nhiệm vụ:

🔹 Nén môi chất lạnh (gas)
🔹 Tạo chênh lệch áp suất cao – thấp
🔹 Duy trì chu trình tuần hoàn nhiệt

Nếu ví điều hòa là một hệ thống hoàn chỉnh, thì block chính là “trái tim” vận hành, quyết định trực tiếp đến:

✔️ Hiệu suất làm lạnh
✔️ Độ ổn định của thiết bị
✔️ Mức tiêu thụ điện năng


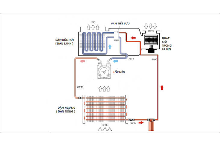
🔬 Nguyên Lý Hoạt Động Của Block Điều Hòa (Phân Tích Kỹ Thuật)

🔄 Chu trình nén – tuần hoàn môi chất lạnh

Block hoạt động theo cơ chế tuần hoàn kín:

1️⃣ Hút môi chất lạnh dạng khí từ dàn lạnh
2️⃣ Nén khí lên áp suất cao → nhiệt độ tăng mạnh
3️⃣ Đẩy gas sang dàn nóng để xả nhiệt
4️⃣ Gas chuyển sang dạng lỏng
5️⃣ Quay lại dàn lạnh để tiếp tục chu trình

👉 Quá trình này diễn ra liên tục cho đến khi nhiệt độ phòng đạt mức cài đặt.


🌡️ Tác động thực tế

  • Dàn lạnh: hấp thụ nhiệt → tạo mát
  • Dàn nóng: thải nhiệt → sinh khí nóng

👉 Nếu block ngừng hoạt động → toàn bộ hệ thống mất khả năng làm lạnh


🧩 Cấu Tạo Chi Tiết Của Block Máy Lạnh

Một block tiêu chuẩn thường bao gồm:

🔧 Thành phần chính

🔹 Động cơ điện (motor)
🔹 Piston hoặc trục xoắn
🔹 Xi lanh
🔹 Buồng nén
🔹 Vỏ kín chống rò rỉ
🔹 Hệ thống bôi trơn


⚙️ Đặc điểm kỹ thuật nổi bật

✔️ Thiết kế kín hoàn toàn → tránh thất thoát gas
✔️ Hoạt động ở áp suất cao
✔️ Độ chính xác cơ khí cao

👉 Chính vì cấu tạo phức tạp nên việc sửa chữa block đòi hỏi kỹ thuật chuyên sâu.


🔥 Phân Loại Block Máy Lạnh Phổ Biến Hiện Nay


🌀 Block Dạng Piston – Phổ Biến Nhất

⚙️ Nguyên lý hoạt động

Block piston hoạt động theo 2 chu trình:

🔹 Chu trình hút:

  • Piston di chuyển → tăng thể tích xi lanh
  • Áp suất giảm → hút gas vào

🔹 Chu trình nén:

  • Piston nén khí → giảm thể tích
  • Áp suất tăng → đẩy gas ra

🎯 Ưu điểm

✔️ Cấu tạo đơn giản
✔️ Dễ sửa chữa
✔️ Chi phí thấp


⚠️ Nhược điểm

❌ Độ ồn cao
❌ Hiệu suất không tối ưu bằng công nghệ mới


🌪️ Block Dạng Xoắn Ốc (Scroll)

⚙️ Nguyên lý

Gas được nén khi di chuyển giữa các vòng xoắn:

👉 Thể tích giảm → áp suất tăng → nén liên tục


🚀 Ưu điểm vượt trội

✔️ Hoạt động êm ái
✔️ Hiệu suất cao
✔️ Làm lạnh nhanh

👉 Thường xuất hiện ở điều hòa cao cấp


⚠️ Nhược điểm

❌ Giá thành cao
❌ Khó sửa chữa


🔄 Block Dạng Swing

⚙️ Đặc điểm

  • Cơ chế chuyển động tròn
  • Ít ma sát

📊 Thực tế sử dụng

👉 Hiện nay ít phổ biến hơn do đã có công nghệ mới thay thế


🚨 Dấu Hiệu Block Máy Lạnh Bị Hỏng (Nhận Biết Sớm)

Bạn cần kiểm tra ngay nếu thấy:

🔥 Dấu hiệu nghiêm trọng

❌ Block nóng bất thường
❌ Điều hòa không lạnh
❌ Máy chạy nhưng không có gió lạnh


🔊 Dấu hiệu cơ học

🔊 Tiếng kêu lớn, rung mạnh
🔊 Âm thanh lạ từ dàn nóng


❄️ Dấu hiệu liên quan hệ thống

❄️ Đóng tuyết ống đồng
💧 Rò rỉ nước bất thường
⚡ Ngắt hoạt động liên tục


⚠️ Nguyên Nhân Khiến Block Điều Hòa Bị Hỏng


🔌 Sử Dụng Sai Công Suất

  • Phòng quá lớn → máy hoạt động liên tục
  • Gây quá tải block

👉 Đây là nguyên nhân phổ biến nhất


☀️ Lắp Đặt Sai Vị Trí

  • Dàn nóng đặt nơi nắng gắt
  • Không có che chắn

👉 Làm block quá nhiệt → giảm tuổi thọ


⚡ Nguồn Điện Không Ổn Định

  • Điện áp chập chờn
  • Gây cháy motor

💻 Lỗi Bo Mạch

  • Mất tín hiệu điều khiển
  • Block không nhận lệnh

🧼 Không Bảo Dưỡng Định Kỳ

  • Bụi bẩn tích tụ
  • Giảm hiệu suất làm lạnh
  • Block phải hoạt động quá tải

🔧 Các Nguyên Nhân Khác

🔹 Thiếu dầu bôi trơn
🔹 Hở xéc măng
🔹 Cháy cuộn dây
🔹 Quạt dàn nóng không hoạt động


🛠️ Cách Khắc Phục Lỗi Block Điều Hòa Hiệu Quả


✔️ Giải pháp cơ bản

🔧 Chọn công suất phù hợp
🔧 Lắp đặt đúng kỹ thuật
🔧 Đảm bảo nguồn điện ổn định


✔️ Giải pháp kỹ thuật

🔧 Kiểm tra dầu block
🔧 Nạp gas đúng chuẩn
🔧 Thay tụ điện nếu cần


✔️ Giải pháp chuyên sâu

🚨 Thay block mới nếu hỏng nặng
🚨 Sửa bo mạch

👉 Luôn cần kỹ thuật viên chuyên nghiệp


🧠 Lưu Ý Quan Trọng Giúp Tăng Tuổi Thọ Block


📏 Chọn đúng công suất

✔️ Tránh quá tải
✔️ Tiết kiệm điện


🧼 Vệ sinh định kỳ

✔️ Làm sạch dàn nóng – lạnh
✔️ Loại bỏ bụi bẩn


🔄 Bảo dưỡng thường xuyên

✔️ Kiểm tra gas
✔️ Kiểm tra hệ thống điện


🎯 Tổng Kết

Block máy lạnh là bộ phận quan trọng bậc nhất, quyết định:

✔️ Hiệu suất làm lạnh
✔️ Độ bền thiết bị
✔️ Chi phí vận hành

👉 Việc hiểu rõ cấu tạo, nguyên lý và cách bảo trì sẽ giúp:

  • Tăng tuổi thọ điều hòa
  • Giảm chi phí sửa chữa
  • Đảm bảo hiệu suất tối ưu